集成加药装置

简介

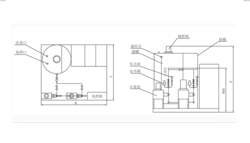
加药装置主要根据工艺流程向各种系统中注入化学药液的成套装置,可实现定量添加固体和液体化学实际主要以计量泵为主要投加设备、将溶药箱、搅拌器、加药装置液位计、安全阀、止回阀、压力表、过滤器、缓冲器、管路、阀门、底座、扶梯、自动监视系统、电力控制系统等集成安装在撬装式结构单元


基本参数:

液体药剂添加650 L/h

固体添加量:0-40kg/h、

化学添加剂储罐容积0.5m³

使用环境:酸或者碱性环境

适应温度:-19-45

运行参数:


产品特点:

1可实现连续加药;

2、可实现定量添加药剂;

3、可通过控制系统实现间断添加;

4、减少人员工作量

5、固体药剂混合均匀,搅拌效果好;

6适用于絮凝剂、阻垢剂、缓蚀剂、破乳剂等各种药液。满足油田药剂添和污水处理工况。

7、通过PC机、磁翻板液位计、PH计、行程控制器、变频器等各种电器、仪表、使加药装置成为机电一体化产品、实现自动控制。


可选配置:

       流量从1L/h800L/h,压力从0.1MPa25MPa范围内均可选择到合适的产品,计量泵的计量精度可高达±1%,并且可以实现多种介质同时输送,单独调整。加药装置中溶液箱的容积可由最小0.1m320m3,可根据加药量选定,根据输送介质的不同,有多种材料可供选择,如碳钢(碳钢衬胶)、不锈钢、非金属材质(PEPVCPPPTFE)等。

相关下载:

产品咨询、无